引言
1 PCGRO⁃XGBoost模型
1.1 XGBoost算法
1.2 淘金优化器算法
1.3 柯西变异策略
1.4 Piecewise混沌映射
1.5 PCGRO算法性能测试
表 1 基准测试函数Table 1 Benchmark functions |
| 序号 | 函数 | 维度 | 范围 | 理论极值 |
|---|---|---|---|---|
| 1 | 30 | [-100,100] | 0 | |
| 2 | 30 | [-10,10] | 0 | |
| 3 | 30 | [-100,100] | 0 | |
| 4 | 30 | [-100,100] | 0 | |
| 5 | 30 | [-5.12,5.12] | 0 | |
| 6 | 30 | [-32,32] | 0 | |
| 7 | 30 | [-600,600] | 0 | |
| 8 | 30 | [-50,50] | 0 |
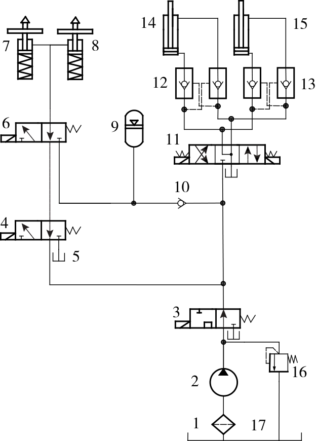
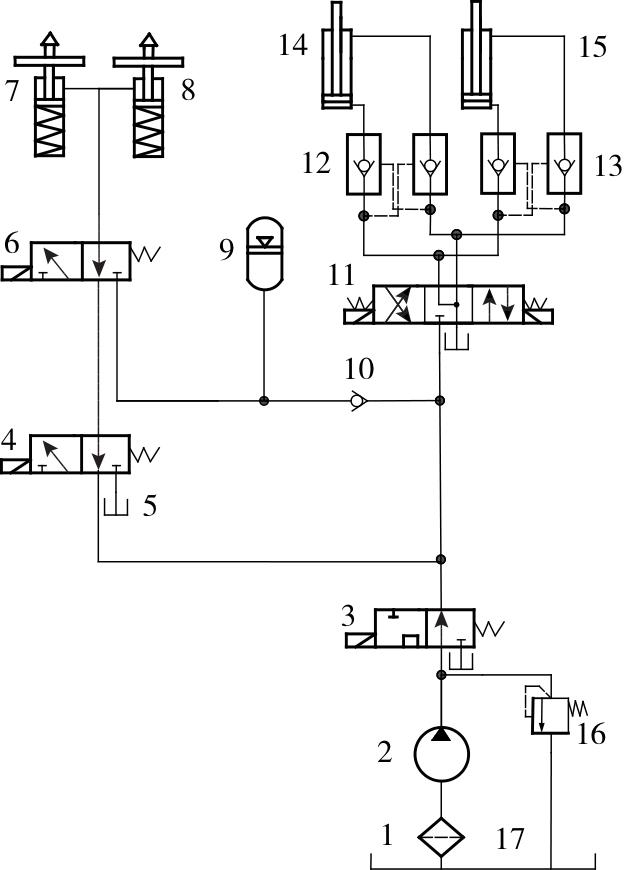
2 无人扫雷车液压系统仿真建模
2.1 液压系统工作原理
2.2 液压系统仿真建模
表2 驻车和张紧液压系统主要仿真参数Table 2 Main simulation parameters of parking and tensioning hydraulic system |
| 部件名称 | 参数 | 数值 |
|---|---|---|
| 液压泵 | 泵排量/(L·min-1) | 55 |
| 容积效率 | 0.95 | |
| 机械效率 | 0.95 | |
| 电机转速/(r·min-1) | 1 500 | |
| 驻车液压缸 | 液压缸缸径/mm | 125 |
| 活塞杆直径/mm | 70 | |
| 液压缸行程/mm | 20 | |
| 张紧液压缸 | 液压缸缸径/mm | 90 |
| 活塞杆直径/mm | 55 | |
| 液压缸行程/mm | 50 |
2.3 故障仿真
表3 故障分类表Table 3 Fault classification table |
| 标号 | 故障描述 | 参数设置 |
|---|---|---|
| 1 | 正常 | |
| 2 | 液压泵内泄漏 | 调节并联节流阀的节流孔大小为2~4 mm |
| 3 | 张紧电磁阀卡死 | 电磁阀的控制信号电流大小为-20~25 mA |
| 4 | 张紧液压缸内泄漏 | 调节张紧液压缸内泄漏系数为3~4 L/(min‧bar) |
| 5 | 驻车油路泄漏 | 调节油路中节流阀的节流孔大小为4~6 mm |
| 6 | 过滤器阻塞 | 调节过滤器孔径为2~2.5 mm |
1 bar=0.1 MPa。 |
表4 检测参数Table 4 Detection parameters |
| 序号 | 变量名称 | 单位 |
|---|---|---|
| 1 | 液压泵输出流量 | L/min |
| 2 | 液压泵输出油压 | bar |
| 3 | 张紧左液压缸无杆腔流量 | L/min |
| 4 | 张紧左液压缸无杆腔压力 | bar |
| 5 | 张紧左液压缸行程 | mm |
| 6 | 驻车左液压缸无杆腔流量 | L/min |
| 7 | 驻车左液压缸无杆腔压力 | bar |
| 8 | 驻车左液压缸行程 | mm |
1 bar=0.1 MPa。 |
